Descripción
La LX Whirlpool JA100 es el referente en bombas de media potencia para el sector del bienestar. Gracias a su motor de 1 CV, es capaz de alimentar múltiples jets de hidromasaje simultáneamente, proporcionando una experiencia de baño terapéutica y relajante. Su diseño compacto la hace ideal para instalaciones donde el espacio es limitado bajo la estructura de la bañera.
Ventajas Principales:
-
Potencia de Salida: Con 750W de potencia, garantiza una presión de agua óptima para sistemas de chorros de intensidad media.
-
Auto-drenaje: Su cuerpo de bomba está diseñado para evitar la retención de agua residual, mejorando la higiene y evitando malos olores.
-
Protección Térmica Integrada: Incluye un protector térmico de alta sensibilidad que desconecta la bomba en caso de sobrecalentamiento, protegiendo el bobinado del motor.
-
Certificación de Calidad: Fabricada bajo estándares internacionales (CE/TUV), asegurando una larga vida útil incluso en condiciones de humedad elevada.
Características técnicas
Potencia: 750 W y 1,0 HP
Velocidad de rotación: 2850 r. p. m.
Caudal máximo: 320 litros/minuto
Condensador: 15 µF
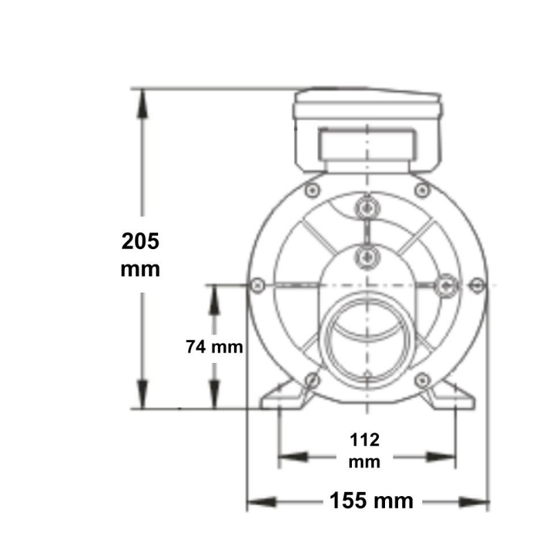
Dimensiones
Longitud: 350 mm
Anchura: 155 mm
Altura: 205 mm
Conexiones
Diámetro del paso de rosca: 62 mm (tipo MBT de 1,5″)
Se proporcionan las uniones de bomba y juntas para tuberías 1,5″.
Cable y enchufe
La bomba de circulación LX Whirlpool JA100 se proporciona precableada con un enchufe AMP (longitud de 130 cm).
También puede optar por que se la precableemos con un enchufe AMP de 240 cm o un enchufe mini J&J.
Ante cualquier inquietud no dude en ponerse en contacto con nosotros









