Descripción
Bomba de Circulación Simaco SAM 21-3 | Silencio y Fiabilidad Italiana
La bomba para spa Simaco SAM 21-3 pertenece a una generación de bombas diseñadas para durar. Su arquitectura está pensada para disipar el calor de forma eficiente, lo que permite ciclos de filtrado prolongados sin riesgo de sobrecalentamiento. Es una bomba versátil que combina una mecánica sencilla con una hidráulica avanzada.
Ventajas clave de la Simaco SAM 21-3:
-
Ingeniería Silenciosa. Gracias a su equilibrado dinámico y rodamientos de alta calidad, reduce las vibraciones al mínimo.
-
Resistencia a la Corrosión. Construida con polímeros reforzados y sellos mecánicos de alta gama, es totalmente compatible con sistemas de desinfección por cloro, bromo y generadores de ozono.
-
Diseño Compacto y Robusto. Su tamaño permite una instalación sencilla en compartimentos técnicos reducidos.
-
Motor de Bajo Consumo. Optimizada para ofrecer un flujo constante de agua (ideal para calefacción y filtración) con un gasto eléctrico muy contenido.
-
Calidad Europea. Fabricada bajo estrictos estándares de seguridad y rendimiento, por lo tanto se asegura una larga vida útil incluso en condiciones de alta humedad.
El cuerpo de la bomba se puede orientar en 4 posiciones (arriba, abajo, izquierda y derecha), lo que le permitirá adaptar fácilmente la bomba a su instalación.
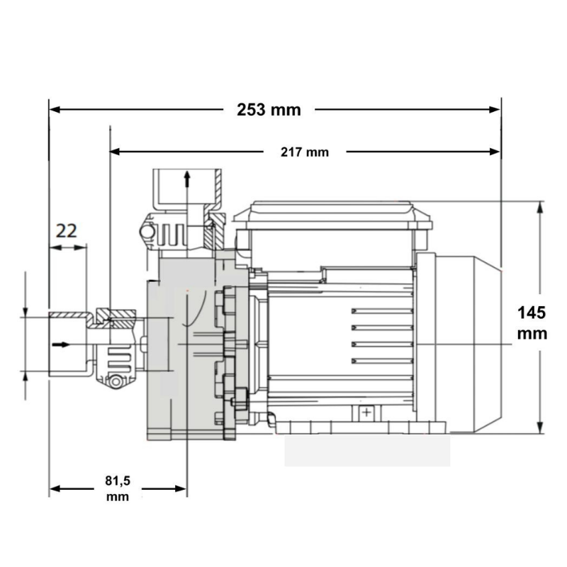
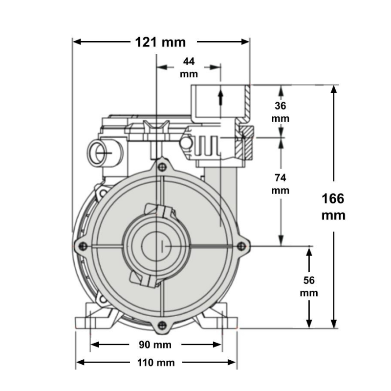
Dimensiones (sin los empalmes)
Longitud: 217 mm
Anchura: 121 mm
Altura: 145 mm
Características técnicas
Potencia: 200 W
Corriente: 1,0 A
Velocidad de rotación: 2900 r. p. m.
Caudal máximo: 120 litros/minuto
Altura máxima de retorno: 7 metros
Conexiones
Retorno y aspiración: conector macho roscado con un diámetro exterior de 31 mm
Cable y enchufe
La bomba Simaco SAM 21-3 está disponible precableada, sin enchufe (longitud de 70 cm).
También puede optar por que le precableemos la bomba con un enchufe AMP o un enchufe mini J&J.
Ante cualquier inquietud, no dude en ponerse en contacto con nosotros, nuestros técnicos podrán asesorarlo y despejar sus dudas.









