Descripción
Rendimiento inteligente y versatilidad con la LX WP200-II.
La bomba LX Whirlpool WP200-II (2 HP) es una de las soluciones más completas y demandadas en el mercado del bienestar. Con su diseño de dos velocidades permite que el sistema de control del spa asigne una potencia baja (filtración) o una potencia alta (masaje) según la necesidad del momento. Esto elimina la necesidad de tener dos bombas separadas.
Características principales:
-
Doble Bobinado de Alto Rendimiento:
-
Velocidad Baja: Ideal para ciclos de filtración continuos, silenciosos y de muy bajo consumo.
-
Velocidad Alta: Proporciona 2 HP de fuerza pura para alimentar los circuitos de jets de hidromasaje.
-
-
Durabilidad Mecánica: Fabricada con un eje de acero inoxidable de alta calidad y un sello mecánico de grafito/cerámica que garantiza una estanqueidad total y resistencia contra los productos químicos del agua.
-
Protección Avanzada: Incluye protección térmica integrada (clase F) y está diseñada para una disipación de calor superior gracias a su carcasa de aluminio reforzada.
-
Compatibilidad Estándar: Equipada con conexiones de 2 pulgadas (78 mm de rosca exterior), lo que facilita su instalación como repuesto directo en marcas como Sundance, Jacuzzi, Wellis, SpaNet y muchas otras de fabricación asiática y europea.
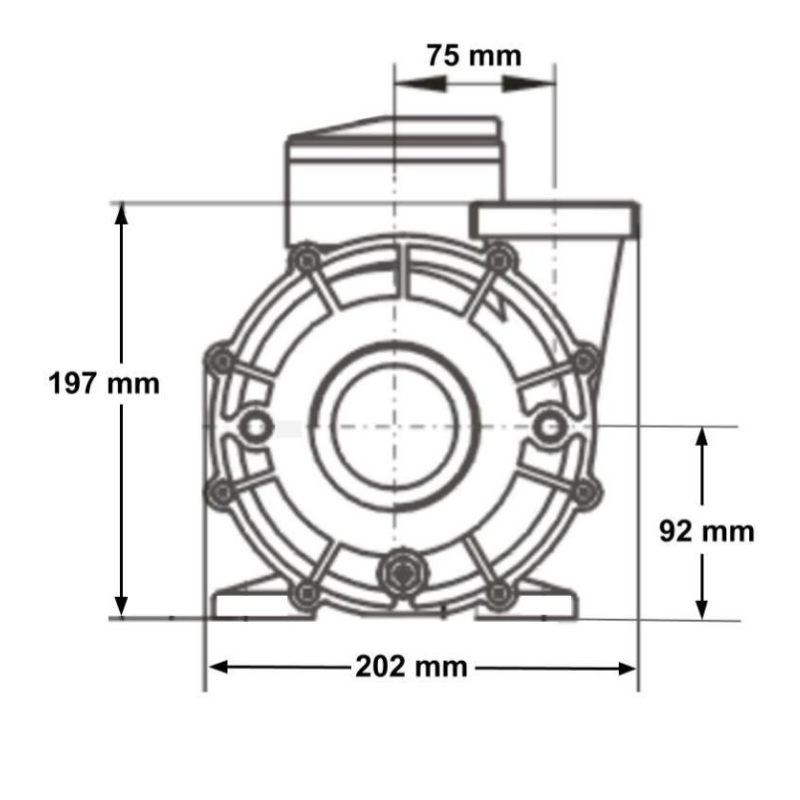
Dimensiones (sin los empalmes)
Longitud: 445 mm
Anchura: 202 mm
Altura: 235 mm
Características técnicas
Potencia de alta velocidad: 1,5 kW (2 HP)
Potencia de baja velocidad: 0,35 kW
Caudal máximo: 620 litros/minuto
Conexiones
Retorno y aspiración: conector macho fileteado con un diámetro exterior de 78 mm
La bomba LX Whirlpool WP200-II incluye las uniones y las juntas para tubos de 2″ (diámetro de 60 mm).







